未来索引
开启左侧

RC1180-KNX:多协议无线应用解决方案

[复制链接]
邢远 发表于 2012-11-16 15:55:41 | 显示全部楼层 |阅读模式 打印 上一主题 下一主题
FRadiocrafts公司的RC1180- KNX RF收发器模块是一种小型、表面贴装、高性能模块,采用KNX 协会制定的嵌入式KNX-RF多协议。该模块采用面向串行通信和配置的UART接口。该模块符合欧洲无线电管理条例的要求,无需许可证即可使用,尺寸仅为12.7mm×25.4mm×3.3mm(带防护层)。在与用于四分之一波长天线一起使用时,可以实现600米到800米的视距。RC1180- KNX符合KNX技术规范的要求,支持S、A和E模式,工作频率为868MHz。物理层符合EN50090(ISO/ IEC14543-3)相关内容的要求。

111013130210f4451199fbae7a.jpg
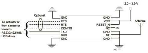
图1 RC1180-KNX典型连接图
11101313028f642585e3288ebc.jpg
图2 RC1180-KNX典型应用示意图

RC1180-KNX的主要特性

• 嵌入式KNX-RF协议(KNX-RF v1.1、KNX和多种KNX-RF Multi)

• 利用5条通道(最大值)实现频率捷变

• 多达64个接收器的快速链路确认

• 自动重发

• 中继器可以将KNX- RF Multi消息和KNX-RF Ready消息分别扩展2个和6个中继段

• 最多可以再另外连接64个KNX- RF器件

• 先听再说(Listen Before Talk,LBT)减少了争用情况的发生

• 自动电池监测

• 接收信号强度信息(RSSI)

• 与无线M-Bus模块RC1180-MBUS引脚兼容

• 12.7mm×25.4mm×3.3mm小型模块适于SMD贴装

• 完全屏蔽

• 宽电源电压范围:2.0V - 3.9V

• 超低功耗模式,延长了电池寿命

• 符合欧盟R&TTE指令(EN 300 220、EN 301 489和EN 60950)要求

• 符合EN 50090(ISO/IEC 14543-3)要求

• 设计符合EX要求

RC1180-KNX应用

• 家庭和楼宇控制

• HVAC

• AMR(自动抄表)

•网关KNX RF/ KNX-IP/ KNX双绞线
1110131302b6ab83836fefea84.jpg
图3 RCxxxxDK-USB演示板外形图

RCxxxxDK-USB演示板

该演示套件(DK)设计用于帮助用户轻松评估板上模块、开发应用和迅速构建原型。该套件包括2个演示板(DB)。演示板包含所选模块(带有专用产品编号和嵌入式协议)和相关支持电路。可以利用PC终端仿真器或Radiocrafts的RCTools PC套件轻松操作该电路板。

该演示板带有USB连接器、USB-串行转换器、按钮、LED、稳压器、配置跳线和连接器,可以轻松连接板上模块和各种测试设备或应用内使用的主机。在实际应用中,并不需要所有组件。

该演示板提供不同的版本,配备了不同类型的Radiocrafts模块。支持的频率包括433MHz、868MHz、915MHz和2.45GHz。对于各种频率,都提供窄带和宽带两种版本。它包括了最常用的频段 —— 欧洲和美国433MHz频段、欧洲的868MHz频段、美国的902MHz-928MHz频段和全球的2450MHz频段。了解实际安装了哪种模块,请参照模块上的标识。

该会员没有填写今日想说内容.

精彩评论3

邢远 发表于 2012-11-16 16:01:58 | 显示全部楼层
Radiocrafts公司的RC1180-KNX是表面安装的高性能发送模块,它的尺寸仅为12.7 x 25.4 x 3.3 mm,能很容易集成在传感器或激励器中,采用UART接口作为串行通信和配置,天线直接连接到RF引脚,适合欧洲标准(CENELEC EN 50090和CEN EN 13321-1),国际标准(ISO/IEC 14543-3),中国标准(GB/Z 20965)以及美国标准(ANSI/ASHRAE 135).工作频率868.0 – 870.0 MHz,工作电压2.0 – 3.9 V,并具有超低功耗,主要应用在家庭和建筑物控制,HVAC,AMR和自动读表以及网关等.本文介绍了RC1180-KNX主要特性, 典型连接图, 应用示意图以及三种RCxxxxDK-USB演示板方框图,电路图,材料清单以及PCB元件布局图.

The RC1180-KNX® RF Transceiver Module is a compact surface-mounted high performance module with embedded KNX-RF Multi protocol as defined by the KNX Association (www.knx.org). The module has a UART interface for serial communication and configuration. The module is pre-certified for operation under the European radio regulations for license-free use and measures only 12.7 x 25.4 x 3.3 mm with shielding. When used with quarter-wave antennas a line-of-sight range of 600-800 meter can be achieved. The RC1180-KNX meets the KNX specification and supports S, A and E modes, and operates in the 868 MHz frequency band. The physical layer complies with the relevant parts of the EN 50090 (ISO/IEC 14543-3).

RC1180-KNX主要特性:

 Embedded KNX-RF protocol (KNX-RF v1.1, KNX Ready and KNX-RF Multi)

 Frequency agility, by using up to 5 channels

 Fast link acknowledgement of up to 64 receivers

 Automatic retransmissions

 Repeaters, extending range of KNX-RF Multi messages by 2 hops and KNX-RF Ready messages by 6 hops

 Binding of up to 64 other KNX-RF devices

 Listen Before Talk (LBT) to reduce collisions

 Automatic battery supervision

 Received Signal Strength Information (RSSI)

 Pin compatible with the Wireless M-Bus module RC1180-MBUS

 12.7 x 25.4 x 3.3 mm compact module for SMD mounting

 Completely Shielded

 Wide supply voltage range, 2.0 – 3.9 V

 Ultra low power modes for extended battery lifetime

 Conforms with EU R&TTE directive (EN 300 220, EN 301 489, EN 60950)

 Confirms with EN 50090 (ISO/IEC 14543-3)

 Designed for EX compliance

RC1180-KNX应用:

 Home and building control

 HVAC

 AMR, Automatic Meter Reading

 Gateways KNX RF/KNX-IP/KNX Twisted Pair
1109071527a0f4dd6d35e55119.gif
图1.RC1180-KNX典型连接图
11090715273ef8ea7a8f24a7e5.gif
图2.RC1180-KNX典型应用示意图

RCxxxxDK-USB演示板

The Demonstration Kit (DK) is designed to make it easy for the user to evaluate the onboard module, develop an application and build prototypes very quickly. The kit includes two Demo Boards (DB). The demo board contains the selected module with its dedicated article number and embedded protocol and associated support circuits. The board can easily be operated using a PC terminal emulator or the RCTools PC suite from Radiocrafts.
11090715272700bfdf01772eb1.gif
图3.RCxxxxDK-USB演示板外形图

The Demo Board contains USB connector, USB to serial converter, buttons, LEDs, voltage regulator, configuration jumpers and connectors to make it easy to interface the onboard module with various test equipment or the host used in an application. Not all components are needed in an actual application. Please see the datasheet for each specific module for a typical application circuit.

The Demonstration Board comes in different versions, equipped with the different variants of Radiocrafts modules. Among the frequencies supported are 433 MHz, 868 MHz, 915 MHz and 2.45 GHz. For each frequency there exist narrowband versions and wideband versions.

This covers the most used frequency bands, the 433 MHz band in Europe and the US, the 868 MHz band in Europe, the 902-928 MHz band in the US and the 2 450 MHz band worldwide.

The actual module mounted can be seen on the marking on the module itself.
1109071527e691a6e45393c2d6.gif
图4.RC11xxDB-USB方框图
1109071527c84c624ead0f0465.gif
图5.RC12xxDB-USB方框图
110907152711d9ef1fd32f704a.gif

图6.RC2xxxDB-USB方框图
1109071527ab37f17ba1a01291.gif
图7.RC12xxDB/RC10xxDB-USB电路图
11090715279fa1403055fe90b0.gif
图8.RC11xxDB-USB电路图
1109071527218ed3753d303e07.gif
图9.RCxxxxDB-USB电路图

RC11xxDB-USB材料清单:
11090715276f0f39c43e4f16b4.gif
RC12xxDB-USB材料清单:
11090715274ae93a64b12f17ee.gif
RC2xxxDB-USB材料清单:
11090715274fcb291a7fb46d51.gif
110907152773908c194abfd0f6.gif
图10.演示板PCB元件布局图

该会员没有填写今日想说内容.
回复

使用道具 举报

邢远 发表于 2012-11-16 16:28:55 | 显示全部楼层
文件下载

knx_user_manual_0_30[1].pdf 浏览密码 14dc

rc11xx-knx_shortform_datasheet_1_00[1].pdf 浏览密码 f83f
该会员没有填写今日想说内容.
回复

使用道具 举报

邢远 发表于 2014-4-21 15:24:13 | 显示全部楼层
没人看 哈哈哈
智能技术共享平台 - 未来论 http://www.mywll.com/
回复

使用道具 举报

高级模式
您需要登录后才可以回帖 登录 | 立即注册

本版积分规则

关注2973

粉丝3242

帖子9944

发布主题
阅读排行 更多
广告位
!jz_fbzt! !jz_sgzt! !jz_xgzt! 快速回复 !jz_sctz! !jz_fhlb! 搜索

智能技术共享平台 - 未来论

关注服务号

进入小程序

全国服务中心:

运维中心:天津

未来之家:天津 青岛 济南 郑州 石家庄

                商务邮箱:xy@mywll.com

Copyright © 2012-2021 未来派 未来论 (津ICP备16000236号-5)