未来索引
开启左侧

绿色安全智能家居中MCU的演进

[复制链接]
邢远 发表于 2013-8-27 10:22:48 | 显示全部楼层 |阅读模式 打印 上一主题 下一主题

智能家居概念及发展现状


智能家居是一个居住环境,是以住宅为平台,装有智能家居的场所。这个场所融合了自动化控制系统、计算机网络系统和网络通信技术的网络化、智能化的家居控制系统。智能家居将让用户有更方便的手段来管理家庭设备,比如,通过触摸屏、互联网或者语音识别控制家用设备,更可以


  


  

智能家居概念及发展现状


  

智能家居是一个居住环境,是以住宅为平台,装有智能家居的场所。这个场所融合了自动化控制系统、计算机网络系统和网络通信技术的网络化、智能化的家居控制系统。智能家居将让用户有更方便的手段来管理家庭设备,比如,通过触摸屏、互联网或者语音识别控制家用设备,更可以执行场景操作,使多个设备形成互连和互动;智能家居内的各种设备相互间可以通信,从而给用户带来最大程度的高效、便利、舒适与安全。


  


  

经过近几年的技术发展,特别是物联网与云计算的迅速崛起,给智能家居行业带来了全新的面貌,智能家居的定义也变得愈加广阔。智能家居已经不再仅限于视频监控、防盗报警、智能控制等普通的安防,而是通过物联网与云计算结合整体系统平台的应用,把衣食住行的信息植入到智能家居系统。在智能家居细分领域,智能家电、智能照明、楼宇对话、家居控制等,各种应用在迅速发酵。中国室内装饰协会智能化委员会秘书长向忠宏指出,智能家居产业在中国已有十三年的发展历程,目前规模已过百亿,在智慧城市、物联网的双引擎推动下,未来十年内将成长为数千亿的市场。


  


  

基于MCU的智能家居系统呈现新趋势


  

在智能家居系统中,为了实现远程监控以及与外部网络的通信,必须要实现单片机系统的互联网控制与接入,都需要基于MCU来实现。同时,由于现代生活中的数据交互量急剧增长,智能家居对MCU的处理能力、绿色节能、安全性也提出了新的要求。


  


  

智能家居本身有着高可靠性需求,这要求MCU本身也具有这一特性,以保证在整个人居建筑中,各个智能化子系统能二十四小时运转,系统的安全性、可靠性和容错能力必须非常好。对各个子系统,应以电源、系统备份等方面采取相应的容错措施,保证系统正常安全使用,具备应付各种复杂环境变化的能力。


  


  

另外,智能家居的部分应用环境可能会需要电池供电,这对MCU的低功耗特性提出更高挑战。此外,智能家居中的有些应用需要更精确的测量和控制、更好的能效,都需要有更复杂的数学模型和运算,这就要求MCU的运算速度大幅提升,以满足能耗和运算的需求,因此,在一些解决方案中,MCU也在从8位、16位向32位迁移。


  



还有一些家居应用要求MCU具有更强大的驱动能力,如LCD驱动和I/O口的驱动,更强的PWM输出能力等,甚至使得MCU逐渐向SoC靠拢。





可见,智能家居系统中的MCU,应当是富有竞争力的。


  


  

飞思卡尔产品在智能家居中的应用


  

飞思卡尔是智能家居系统中MCU、射频、传感器、模拟技术与电源管理、处理器等产品的领先供应商,并致力于向市场提供嵌入式工业解决方案。在智能家居应用中,飞思卡尔可用的、满足现实需求的产品和方案不断增加,在这个领域积累了很多经验。利用这些先进的产品系列,飞思卡尔提供更加智能和更具成本效益的解决方案,应用涵盖照明、HVAC、网络控制、楼宇接入、监控和安全、家居智能能源(家庭能源管理系统、家庭太阳能逆变)、能源利用(商业太阳能逆变器、离网太阳能逆变等)等。这些方案可以满足市场在环境、能源效率、可靠安全方面的需求。


  


  

在家庭能源管理系统中,通常需要提供综合用户界面和广泛连接功能。飞思卡尔具有多种基于业界领先Power Architecture和ARM处理器的解决方案,非常适用于这种应用,系统方案示例见下图。利用通信处理器、电源管理器件、无线收发器、图形处理等广泛的产品线,如MPC8308、MC13224、S08QE、I.MX233、I.MX6S等,飞思卡尔的解决方案使智能家居中的各个点都可以通过一个集中的点连接和控制,实现高能效和能源优化。


  


  

在部署具有通信功能的电表后,可以向业主提供许多应用,以便优化整体能源管理。对电力公司来说,这可以作为一种管理电网负荷并防止电力需求激增的方式。此外,家庭能源管理系统的功能还可以包括:从智能电表中采集实时能耗数据,从各种家电中采集功耗数据;控制家电的开启/关闭;生成仪表板,以提供关于能源使用情况的反馈信息;提供控制菜单,对家电进行有效控制;提供与电力公司和/或互联网之间的链接……目标应用包括家庭局域网络(HAN)、家庭能源网关以及家庭自动化等。


  



2013082609442111.jpg



基于飞思卡尔广泛产品线的家庭能源管理系统示例


  


  

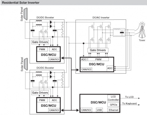
家庭太阳能逆变系统中,飞思卡尔的处理器、微控制器产品,如MC56F84XXX、MC56F82XX、56F803X等等产品,为整个系统带来可行、高效、可靠的电源转换方案。


  



2013082609442112.jpg



基于飞思卡尔MCU和DSC的家庭太阳能转换系统


  


  

上述几种智能家居方案示例实际应用中已被采用。






  



32Kinetis E系列带来绿色安全智能家居方案



飞思卡尔具有完善的8位、16位和32位MCU系列产品,广泛应用于工业、网络、能源、汽车、医疗、消费电子等众多领域。Kinetis E系列器件是飞思卡尔极具特色的MCU系列之一,也是业界最具扩展能力的ARM Cortex-M0+ MCU产品,智能家居应用是其发挥优势的一大市场。该系列MCU具有强大的系统电磁抗噪能力(过去只有8位和16位MCU具有这种能力),是白色家电和工业应用,如洗碗机、冰箱、家庭和楼宇控制系统、电机控制风机、工业转换器,以及通常在高噪声环境中运行的其他应用的理想选择。





利用Kinetis E系列的耐用设计和32位处理能力,系统设计人员可以只采用一个器件,而不是以前所需的多个MCU。此外,大间距封装选件和高静电放电保护性能支持单层板设计,减少其他电路保护组件的需求,从而降低系统成本。





该系列产品可在复杂电气噪声环境和要求高可靠性的应用中保持高稳定性,而且有丰富的内存、外设和产品包可供选择。它们具有通用的外设和引脚数量,使开发人员能够轻松实现相同MCU系列内或多个MCU系列间的迁移,以利用更多存储器或特性集成。这种可扩展性使开发人员能够在Kinetis E系列上实现其终端产品平台的标准化,最大程度地提高硬件和软件的再利用,缩短产品上市所需的时间。





Kinetis E系列是32位MCU。32位MCU一直以来都以低电压运行,人们通常会认为,32位MCU在工厂等恶劣电磁环境中甚至很多家庭中并不可靠。但是Kinetis E系列打破这一认知开创新局面,将低成本、高性能、先进的电磁兼容性(EMC)和静电放电(ESD)保护功能完美结合,符合工业级的可靠性和温度要求。





Kinetis E系列特性:



32位ARM Cortex-M0+ 内核


存储空间可以从8 KB闪存/1 KB SRAM扩展到128 KB闪存/16 KB SRAM


具备片上模拟比较器和12位ADC,具有精确的混合信号处理能力


强大的定时器,面向包括电机控制在内的广泛的应用


串行通信接口,如UART、SPI、I²C等


高安全性,带有内部看门狗和可编程CRC模块


单电源(2.7–5.5 V),具备完整的闪存编程/擦除/读取功能


工作环境温度范围:-40℃–105℃



  


  

根据产品特性可以看出,飞思卡尔智能家居解决方案可为市场带来绿色、安全、节能、灵活等优势。


  


  

以Kinetis子系列KE02 MCU为例来看。KE02 MCU以ARM Cortex-M0+为内核,该内核以其低功耗特性深获市场赞誉。KE02也是Kinetis E系列的入门级产品,引脚与整个E系列兼容,扩展灵活,另外,它们还与8位S08P系列兼容。


  


  

这个子系列拥有一系列强大的外设,其中包含模拟、通信、定时器与控制等,同时也有多种规格的闪存和引脚。该系列是提供低功耗、高耐用性和高能效的MCU,为开发人员提供适合的入门级32位解决方案。


  


  

作为新一代MCU解决方案,该系列特别增强了ESD/EMC性能,广泛适用于强电气干扰环境下对成本、高可靠性有特殊要求的应用场合中,比如家用电器、DC风机、计量/PLC、后备式UPS、模拟电源、DC/DC等。其中,电源管理模块(PMC)提供三种电源模式:运行、等待和停止模式,可以在保障能源效率的情况下运行。内置看门狗和可编程CRC模块、每芯片64位唯一识别码(ID)可提供更高的安全性。


  



2013082609442113.jpg



KE02 MCU家族框图


  


  

飞思卡尔的设计资源


  

对各系列MCU,飞思卡尔为工程师提供了强大的设计工具和设计资源,对Kinetis E系列也不例外。这些资源包括FRDM-KE02Z Freescale Freedom开发平台、Processor Expert软件以及软件开发工具包,可轻松访问样本软件库。采用低成本Freescale Freedom开发平台,客户可以轻松、快速评估并原型设计飞思卡尔MCU。此外,Kinetis E系列MCU还获益于广泛的ARM生态体系支持,包括现成软件、工具和培训,以及合作伙伴开发的解决方案,如IAR Embedded Workbench和Keil MDK-ARM微控制器开发工具包。其他开发资源包括具有高性能和最佳功率效率CoreMark®/mA的中间件和软件库。在Kinetis MCU社区,工程师还可以实现快速设计入门指导。


  


更多技术文章,请访问飞思卡尔社区!






  


  

智能家居概念及发展现状


  

智能家居是一个居住环境,是以住宅为平台,装有智能家居的场所。这个场所融合了自动化控制系统、计算机网络系统和网络通信技术的网络化、智能化的家居控制系统。智能家居将让用户有更方便的手段来管理家庭设备,比如,通过触摸屏、互联网或者语音识别控制家用设备,更可以执行场景操作,使多个设备形成互连和互动;智能家居内的各种设备相互间可以通信,从而给用户带来最大程度的高效、便利、舒适与安全。


  


  

经过近几年的技术发展,特别是物联网与云计算的迅速崛起,给智能家居行业带来了全新的面貌,智能家居的定义也变得愈加广阔。智能家居已经不再仅限于视频监控、防盗报警、智能控制等普通的安防,而是通过物联网与云计算结合整体系统平台的应用,把衣食住行的信息植入到智能家居系统。在智能家居细分领域,智能家电、智能照明、楼宇对话、家居控制等,各种应用在迅速发酵。中国室内装饰协会智能化委员会秘书长向忠宏指出,智能家居产业在中国已有十三年的发展历程,目前规模已过百亿,在智慧城市、物联网的双引擎推动下,未来十年内将成长为数千亿的市场。


  


  

基于MCU的智能家居系统呈现新趋势


  

在智能家居系统中,为了实现远程监控以及与外部网络的通信,必须要实现单片机系统的互联网控制与接入,都需要基于MCU来实现。同时,由于现代生活中的数据交互量急剧增长,智能家居对MCU的处理能力、绿色节能、安全性也提出了新的要求。


  


  

智能家居本身有着高可靠性需求,这要求MCU本身也具有这一特性,以保证在整个人居建筑中,各个智能化子系统能二十四小时运转,系统的安全性、可靠性和容错能力必须非常好。对各个子系统,应以电源、系统备份等方面采取相应的容错措施,保证系统正常安全使用,具备应付各种复杂环境变化的能力。


  


  

另外,智能家居的部分应用环境可能会需要电池供电,这对MCU的低功耗特性提出更高挑战。此外,智能家居中的有些应用需要更精确的测量和控制、更好的能效,都需要有更复杂的数学模型和运算,这就要求MCU的运算速度大幅提升,以满足能耗和运算的需求,因此,在一些解决方案中,MCU也在从8位、16位向32位迁移。


  



还有一些家居应用要求MCU具有更强大的驱动能力,如LCD驱动和I/O口的驱动,更强的PWM输出能力等,甚至使得MCU逐渐向SoC靠拢。





可见,智能家居系统中的MCU,应当是富有竞争力的。


  


  

飞思卡尔产品在智能家居中的应用


  

飞思卡尔是智能家居系统中MCU、射频、传感器、模拟技术与电源管理、处理器等产品的领先供应商,并致力于向市场提供嵌入式工业解决方案。在智能家居应用中,飞思卡尔可用的、满足现实需求的产品和方案不断增加,在这个领域积累了很多经验。利用这些先进的产品系列,飞思卡尔提供更加智能和更具成本效益的解决方案,应用涵盖照明、HVAC、网络控制、楼宇接入、监控和安全、家居智能能源(家庭能源管理系统、家庭太阳能逆变)、能源利用(商业太阳能逆变器、离网太阳能逆变等)等。这些方案可以满足市场在环境、能源效率、可靠安全方面的需求。


  


  

在家庭能源管理系统中,通常需要提供综合用户界面和广泛连接功能。飞思卡尔具有多种基于业界领先Power Architecture和ARM处理器的解决方案,非常适用于这种应用,系统方案示例见下图。利用通信处理器、电源管理器件、无线收发器、图形处理等广泛的产品线,如MPC8308、MC13224、S08QE、I.MX233、I.MX6S等,飞思卡尔的解决方案使智能家居中的各个点都可以通过一个集中的点连接和控制,实现高能效和能源优化。


  


  

在部署具有通信功能的电表后,可以向业主提供许多应用,以便优化整体能源管理。对电力公司来说,这可以作为一种管理电网负荷并防止电力需求激增的方式。此外,家庭能源管理系统的功能还可以包括:从智能电表中采集实时能耗数据,从各种家电中采集功耗数据;控制家电的开启/关闭;生成仪表板,以提供关于能源使用情况的反馈信息;提供控制菜单,对家电进行有效控制;提供与电力公司和/或互联网之间的链接……目标应用包括家庭局域网络(HAN)、家庭能源网关以及家庭自动化等。


  



2013082609442111.jpg



基于飞思卡尔广泛产品线的家庭能源管理系统示例


  


  

家庭太阳能逆变系统中,飞思卡尔的处理器、微控制器产品,如MC56F84XXX、MC56F82XX、56F803X等等产品,为整个系统带来可行、高效、可靠的电源转换方案。


  



2013082609442112.jpg



基于飞思卡尔MCU和DSC的家庭太阳能转换系统


  


  

上述几种智能家居方案示例实际应用中已被采用。

  



32Kinetis E系列带来绿色安全智能家居方案



飞思卡尔具有完善的8位、16位和32位MCU系列产品,广泛应用于工业、网络、能源、汽车、医疗、消费电子等众多领域。Kinetis E系列器件是飞思卡尔极具特色的MCU系列之一,也是业界最具扩展能力的ARM Cortex-M0+ MCU产品,智能家居应用是其发挥优势的一大市场。该系列MCU具有强大的系统电磁抗噪能力(过去只有8位和16位MCU具有这种能力),是白色家电和工业应用,如洗碗机、冰箱、家庭和楼宇控制系统、电机控制风机、工业转换器,以及通常在高噪声环境中运行的其他应用的理想选择。





利用Kinetis E系列的耐用设计和32位处理能力,系统设计人员可以只采用一个器件,而不是以前所需的多个MCU。此外,大间距封装选件和高静电放电保护性能支持单层板设计,减少其他电路保护组件的需求,从而降低系统成本。





该系列产品可在复杂电气噪声环境和要求高可靠性的应用中保持高稳定性,而且有丰富的内存、外设和产品包可供选择。它们具有通用的外设和引脚数量,使开发人员能够轻松实现相同MCU系列内或多个MCU系列间的迁移,以利用更多存储器或特性集成。这种可扩展性使开发人员能够在Kinetis E系列上实现其终端产品平台的标准化,最大程度地提高硬件和软件的再利用,缩短产品上市所需的时间。





Kinetis E系列是32位MCU。32位MCU一直以来都以低电压运行,人们通常会认为,32位MCU在工厂等恶劣电磁环境中甚至很多家庭中并不可靠。但是Kinetis E系列打破这一认知开创新局面,将低成本、高性能、先进的电磁兼容性(EMC)和静电放电(ESD)保护功能完美结合,符合工业级的可靠性和温度要求。





Kinetis E系列特性:



32位ARM Cortex-M0+ 内核


存储空间可以从8 KB闪存/1 KB SRAM扩展到128 KB闪存/16 KB SRAM


具备片上模拟比较器和12位ADC,具有精确的混合信号处理能力


强大的定时器,面向包括电机控制在内的广泛的应用


串行通信接口,如UART、SPI、I²C等


高安全性,带有内部看门狗和可编程CRC模块


单电源(2.7–5.5 V),具备完整的闪存编程/擦除/读取功能


工作环境温度范围:-40℃–105℃



  


  

根据产品特性可以看出,飞思卡尔智能家居解决方案可为市场带来绿色、安全、节能、灵活等优势。


  


  

以Kinetis子系列KE02 MCU为例来看。KE02 MCU以ARM Cortex-M0+为内核,该内核以其低功耗特性深获市场赞誉。KE02也是Kinetis E系列的入门级产品,引脚与整个E系列兼容,扩展灵活,另外,它们还与8位S08P系列兼容。


  


  

这个子系列拥有一系列强大的外设,其中包含模拟、通信、定时器与控制等,同时也有多种规格的闪存和引脚。该系列是提供低功耗、高耐用性和高能效的MCU,为开发人员提供适合的入门级32位解决方案。


  


  

作为新一代MCU解决方案,该系列特别增强了ESD/EMC性能,广泛适用于强电气干扰环境下对成本、高可靠性有特殊要求的应用场合中,比如家用电器、DC风机、计量/PLC、后备式UPS、模拟电源、DC/DC等。其中,电源管理模块(PMC)提供三种电源模式:运行、等待和停止模式,可以在保障能源效率的情况下运行。内置看门狗和可编程CRC模块、每芯片64位唯一识别码(ID)可提供更高的安全性。


  



2013082609442113.jpg



KE02 MCU家族框图


  


  

飞思卡尔的设计资源


  

对各系列MCU,飞思卡尔为工程师提供了强大的设计工具和设计资源,对Kinetis E系列也不例外。这些资源包括FRDM-KE02Z Freescale Freedom开发平台、Processor Expert软件以及软件开发工具包,可轻松访问样本软件库。采用低成本Freescale Freedom开发平台,客户可以轻松、快速评估并原型设计飞思卡尔MCU。此外,Kinetis E系列MCU还获益于广泛的ARM生态体系支持,包括现成软件、工具和培训,以及合作伙伴开发的解决方案,如IAR Embedded Workbench和Keil MDK-ARM微控制器开发工具包。其他开发资源包括具有高性能和最佳功率效率CoreMark®/mA的中间件和软件库。在Kinetis MCU社区,工程师还可以实现快速设计入门指导。


该会员没有填写今日想说内容.

精彩评论1

athlon8866 发表于 2013-8-30 09:55:46 | 显示全部楼层
MCU,功能型??
智能技术共享平台 - 未来论 http://www.mywll.com/
回复

使用道具 举报

高级模式
您需要登录后才可以回帖 登录 | 立即注册

本版积分规则

关注2973

粉丝3242

帖子9944

发布主题
阅读排行 更多
广告位
!jz_fbzt! !jz_sgzt! !jz_xgzt! 快速回复 !jz_sctz! !jz_fhlb! 搜索

智能技术共享平台 - 未来论

关注服务号

进入小程序

全国服务中心:

运维中心:天津

未来之家:天津 青岛 济南 郑州 石家庄

                商务邮箱:xy@mywll.com

Copyright © 2012-2021 未来派 未来论 (津ICP备16000236号-5)