未来索引
开启左侧

彻底改变未来 十大令人期待高科技材料

[复制链接]
邢远 发表于 2013-9-3 17:12:01 | 显示全部楼层 |阅读模式 打印 上一主题 下一主题

十大高科技材料令人期待




    中关村在线消息:笔记本电脑越来越轻薄得益于制造材料的不断升级,碳纤维、超轻合金都功不可没。然而还有更多人们想要实现的数码设备还受限于目前的材料,不过科学们并没有停止探索,还有多种多样的新型材料在不断的被创作出来。国外媒体近日就盘点了十款令人期待的高新材料,不妨让我们期待未来它们会带给我们的生活怎样的惊人改变:

1.液态金属(Liquid metal)


ceXOBbkfrsoRI.jpg
液态金属(图片来自techradar)

    还记得电影《终结者2》的T1000液态金属机器人吗?是的,这种拥有高强度、超强可塑性的材质已经被各大科技常识广泛关注,其中就包括苹果公司。据悉,苹果正在考虑使用液态金属来制作iWatch智能手表或是未来的iPad,这并非无中生有,因为iPhone 3GS的SIM卡取卡针,就是这种材质做成的。

2.石墨烯(Graphene)

ceXolEA9DCY.jpg
石墨烯(图片来自techradar)

    石墨烯是目前最硬、也是你能想象到的最薄的新型材料,将其应用在计算机晶体管领域能够实现更好的性能与电池寿命。将其分解后,可以获得一种透明轻巧的材料,适应范围极广,包括服装面料和计算机设备。

3.Willow玻璃

cekOGAHjsiv9o.jpg
Willow玻璃(图片来自techradar)

    Willow玻璃是由著名的康宁公司研发,是继Gorilla玻璃之后,极有可能应用在电子设备上的材质。它不仅纤薄,还拥有极佳的韧度,可以弯曲成任何形状,这就意味着未来的智能手机很可能拥有更多的形态,而不是目前的统一“板砖”设计。

4.柔性OLED屏幕

ceVO2DysZJwGw.jpg
柔性OLED屏幕(图片来自techradar)

    柔性OLED屏幕是我们已经可以实际接触到的新型材质,三星和LG已经推出了曲面屏幕的OLED电视,为我们展示了未来电子设备的发展方向,相信很快这一技术也会被应用在智能手机等产品上。

5.Starlite新型塑料

ce5C7xhFxjRY.jpg
Starlite新型塑料(图片来自techradar)

    Starlite是一种新型塑料材质,能够承受超高的热量,可以被塑造成为任何形式的物体。虽然目前这项技术并未商用,但是法国西得乐(全球领先的塑料包装商)已经表示即将推出采用Starlite材质的塑料瓶底,可以承受更多冲击。如果这项技术能够尽快普及,与3D打印互相配合,将会是十分惊人的。


top.jpg 高科技材料或将改变未来

6.纳米纤维素(Nanocellulose)


cet2cCYgJQraE.jpg
纳米纤维素(图片来自techradar)

    纳米纤维素听上去有些抽象,但事实上它也是目前人类已知的最高强度的材料之一。不仅如此,它还具有重量轻、易导电的特性,可以用来制造弯曲电池甚至是防弹衣。如果手机电池采用这种材质,设计上将更具灵活性,并且不会污染环境——因为它本质上是木浆,十分容易回收。

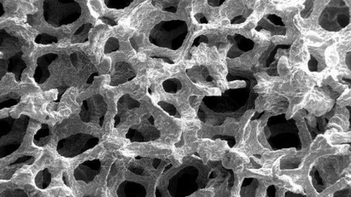
7.金属泡沫(Metal Foam)

ceJ0uWLmpAk4g.jpg
金属泡沫(图片来自techradar)

    正如它名字中所提到的,金属泡沫中拥有很多孔状结构,含有大量的气体填充间隙,所以在保证高强度的同时,重量也十分轻。这种材料可以应用在义肢骨骼的关节,也适合作为汽车减震器使用。

8.生物塑料(Bioplastics)

ced37YYPiHC7E.jpg
生物塑料(图片来自techradar)

    事实上,生物塑料已经存在一段时间了,日本厂商NEC就使用它制作过手机,但并没有成为主流,原因是因为生物塑料来源于自然环境,如植物油、纤维素等,制造成本较高。但随着时间的推移,目前欧洲的生物塑料市场每年拥有20%的份额增长,这种环保健康的材料更适用于电子设备的外壳。

9.纳米点和钙钛矿

ce0ahoAP71qr.jpg
纳米点和钙钛矿(图片来自techradar)

    太阳能电池板的收集效率一直十分低下,而纳米点则有可能改善这种情况,因为它要薄得多。另外,钙钛矿则是更好的太阳能电池原料,要比目前电池板的成本低很多,并且性能更出色。

10.电子皮肤(E-Skin)

cewFRByUulCbo.jpg
电子皮肤(图片来自techradar)

    E-skin作为一种类皮肤材质,拥有塑料薄膜晶体管,有机LED和压力传感器分布在每个像素上,可以应用在很多领域,比如触摸感应控制器、触摸屏等,拥有更接近于皮肤的良好手感,也很适合可穿戴式智能设备使用。


该会员没有填写今日想说内容.

精彩评论1

武汉智能-行 发表于 2013-9-3 21:49:25 | 显示全部楼层
期待啊,好期待啊
智能技术共享平台 - 未来论 http://www.mywll.com/
回复

使用道具 举报

高级模式
您需要登录后才可以回帖 登录 | 立即注册

本版积分规则

关注2973

粉丝3242

帖子9944

发布主题
阅读排行 更多
广告位
!jz_fbzt! !jz_sgzt! !jz_xgzt! 快速回复 !jz_sctz! !jz_fhlb! 搜索

智能技术共享平台 - 未来论

关注服务号

进入小程序

全国服务中心:

运维中心:天津

未来之家:天津 青岛 济南 郑州 石家庄

                商务邮箱:xy@mywll.com

Copyright © 2012-2021 未来派 未来论 (津ICP备16000236号-5)