|
智能照明(SmartLighting)涉及通信和传感功能,能够进行远程控制(开启或关闭、调光或改变颜色)和监控(远程诊断)建筑物、街道或家里的一个或多个灯具。智能照明也为灯具提供信息,使它能根据使用情况或环境光线等进行亮度调节。另一方面,高亮度白光LED非常适合区域照明应用,具有方向性更好、色彩质量更佳、环保等特点,并且能够更方便地控制其开启和关闭,便于自动检测环境光来改变亮度,使其在智能LED街灯等应用中越来越受瞩目。 智能照明的通信可用无线或现有的电力线基础设施实现。电力线是世界上最大的铜基础设施,家庭或办公楼的每个角落都有电源插座,使之成为一个覆盖范围极为广泛的网络。 鉴于所有照明灯具都是连接到电力线将电力转换成光,电力线通信(PLC)已成为智能照明主要通信和控制链路的合理途径。 安森美半导体利用其先进半导体技术,推出了针对智能照明的包括通信、传感器、KNX收发器及保护解决方案,有助于以更少电能执行相同(甚至更多)的任务,进一步提升能效,节约能源。 例如,利用安森美半导体的PLC调制解调器(如AMIS-49587)、PLC线路驱动器(如NCS5650)和诸如NOA1302这样的环境光传感器,可基于电力线轻松构建联网型LED街灯智能控制系统,有助于市政、电力公司和商业企业远程调节路灯的光输出,减少其路灯网络的整体能耗。此外,在楼宇智能温度调节及灯光控制应用中,也可在双绞线布线上使用KNX收发器,利用KNX网络进行照明控制。
图1安森美半导体用于智能LED街灯的调制解调器、电源及传感器方案概览 2符合严格国际标准、获得市场验证的PLC调制解调器 电力线通信有助于公用事业公司为其配电网络增加更高级别的功能,从而让消费者更能掌自己的能耗。安森美半导体提供一系列领先扩频型频移键控(S-FSK)PLC调制解调器,如AMIS30585、AMIS49587和NCN49597等。其中,AMIS-30585和AMIS-49587均基于ARM7内核微控制器(MCU),仅支持AC工作,每通道最大波特率分别为1.2k和2.4k;新推出的NCN49597基于ARMCortexM0内核MCU,同时支持AC及DC工作,每通道最大波特率达4.8k,支持CenelecA、B、C及D波段,且提供可编程软件。还预计将于2012年下半年推出在NCN49597基础上还集成功率放大器功能的NCN49599PLC调制解调器。 这些强固的窄带PLC调制解调器嵌入了PHY+MAC,符合严格的国际标准(FCC、CENELEC、IEC61334-5-1),可在低压和中压网络上运行,提供最佳的物料单(BOM)成本和极低的能耗。 3KNX收发器及评估板 KNX是一个符合智能楼宇标准、基于开放式系统互连(OSI)的网络通信协议。KNX是融合了此前的3个标准,包括欧洲家庭系统协议(EHS)、BatiBUS和欧洲安装总线(EIB或instabus)。KNX支持的开放标准包括:EN50090欧洲标准、ISO/IEC14543-3国际标准、GB/Z20965中国标准、ANSI/ASHRAE135美国标准。 安森美半导体提供的KNX收发器有:NCN5120、NCN5121、NCN5110和NCN5111等,可用于连接电器和传感器,为建筑物内9600波特KNX双绞线(TP)总线提供温度及光线控制。双绞线总线可提供数据通信和电力供应。
表1安森美半导体KNX收发器
图2KNX网络通信架构 值得一提的是,安森美半导体与恩智浦(NXP)半导体最近联合推出了用于高能效双绞线网络的评估板及完整参考设计。此评估板采用NXP的低功耗Cortex-M0微控制器LPC1227及安森美半导体的NCN5120接收器-发射器IC,帮助建筑物自动化客户简化设计流程,将即可应用的高能效KNX双绞线方案,用于照明开关及控制、供暖通风空调(HVAC)控制、百叶窗及占用情况(occupancy)检测等应用。 4运动检测器无源红外控制器(PIR)安森美半导体的NCS36000无源红外控制器用于照明和占用情况感测市场,可放大和调节来自PIR传感器的信号。该器件的工作电压为3.0V—5.75V,集成了低噪声2级放大器,有内部参考电压驱动传感器;采用带外部RC的内部振荡器;具有单脉冲或双脉冲检测功能;数字滤波器可最大限度地减少误报;直接驱动LED和继电器。该器件是一个非常灵活的解决方案,客户可以自定义数字滤波和模拟处理,适用于各种传感器,BOM成本低于同类分立式解决方案。 5环境光及距离传感器 环境光传感器也是构建智能照明的重要元器件。安森美半导体的环境光传感器具有设计灵活性,可以根据需要在EEPROM中调整,定制过滤0.0125lx检测(即明视光响应);另外,具有暗电流和温度补偿、最低每分辨率位功耗;高速模式的I2C接口,在断电时也不会影响总线工作。
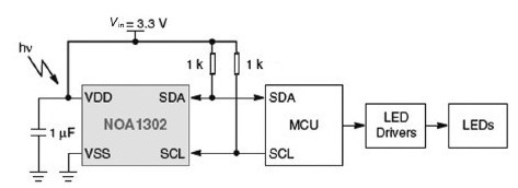
图3NOA1302环境光传感器 6LED串保护方案 驱动LED的首选方法是LED串联,以使LED串中的电流匹配达到相同的亮度。虽然LED非常可靠,但如果任何一个LED失效开路,由于LED串是串联的,整串LED就会熄灭,这是街道照明等讲究高可靠性应用所不能接受的。为了解决这个问题,可以用NUD4700跨接在每个LED上,这个分流旁路保护器可在一个LED失效开路时,确保LED串的其余部分一直点亮。NUD4700具有高通态电流能力和低断态泄漏,如果LED恢复,可自动复位到关闭状态;可重复响应时间很短。其高可靠性有助于延长LED串和灯具寿命,使LED串能够在高电流条件下工作,因此,适合路灯、隧道照明、建筑照明、高顶灯照明,以及列车和跑道灯等高可靠性应用。 7高亮度LED模块内ESD保护 在装配过程和最终用户操作过程中,敏感的HBLED裸片很容易受到有害静电放电(ESD)的影响。此外,在灯和灯具装配过程中,HBLED模块易受高压ESD的影响,而可能导致损坏。
图4用NUD4700保护LED串 安森美半导体提供能用于光学头罩内与HBLED联合封闭的裸片级ESD保护产品。模块内硅瞬态电压抑制器(TVS)裸片可提供所需的保护,以消除故障,有助于为各种应用创建强固的HBLED模块。模块内硅TVS裸片有两种:分装式(sub-mounted)保护器和侧装式(side-mounted)裸片。例如CM1771是一款100V相向(back-to-back)静电放电(ESD)保护器件,采用专有的侧装式构造,能够承受高水平ESD冲击,而且占位面积小且高度低,可在模块组装过程和灯具装配过程中保护HBLED裸片和HBLED模块,防止出现故障。 8总结 为了实现节能环保,政府机构、电力公司或商业企业,都在努力构建联网的LED街灯智能控制系统或是智能楼宇控制系统,利用系统中集成的环境光/距离传感器,根据环境光的亮度和占用情况等信息来自动调节LED的光输出。安森美半导体的先进通信、传感器、KNX收发器及保护解决方案,有助于降低照明网络的总能耗和费用支出,实现功能强大和环保的LED照明系统。
|